HYDORING 高性價比 - 機械式二通閥
2019-08-12 11:02:52
感受 HYDORING 最優越的產品性能
作為專業的流體動力服務提供商,HYDORING致力于為國內外客戶提供全方位的液壓系統、流體傳動系統、產品配套服務以及現場安裝維修服務等。其中我們為卡哥特科自主研發定制的機械式二通閥,它可以廣泛應用于液壓領域。相比于電動二通閥,它有著更低的成本并且容易操作,大多應用于日常生活中,也可應用在不頻繁開關的場合。
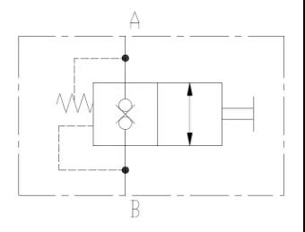
機械式二通閥外型設計特點
尺寸參數



技術參數
壓降曲線
客戶受益
作為手動的機械式二通閥相比電動二通閥更具有誘人的性價比;優化的閥體設計,抗機械振動性能更加強勁;
眾所周知液壓系統中的泄露問題相當棘手,但這種機械式二通閥泄漏量小,具有更好的保壓性能;
